浪涌保护器,是低压领域雷电防护的主力产品。其在设计之初,基于供电系统类型的不同,采用了不同的设计结构:一是3+1(3PN)结构,二是4+0(4P)结构。
4+0结构的浪涌保护器主要用于TN-S供电系统的设备防雷保护,比如大多数的数据机房就是采用的TN-S供电系统。从保护模式上来说,4+0结构的浪涌保护器采用的是共模保护方式,也就是相线対地线和零线対地线之间的保护。3+1结构,或者说3PN结构的浪涌保护器,采用的是全模保护方式(相线対零线,零线对地线),采用该种结构的浪涌保护器适用于所有类型供电系统线路(IT、TT、TN-C、TN-S、TN-C-S)设备的防雷保护。因为其保护模式更全,所以,一般在较高保护需求的场所,多采用3PN结构的浪涌保护器。
按照上面所述,对于TN-S系统,就出现了两种浪涌保护器选型方案,即对于TN-S系统来说,既可以选择3PN结构浪涌保护器,也可以选择4P结构浪涌保护器。在实际项目中,一般的防雷公司都会优先选配3PN来取代4P结构的浪涌保护器。但是不了解防雷技术的人大多会不理解,为什么在TN-S系统中3PN结构的浪涌保护器也可以用呢?
早年因为经济条件的限制,多采用TT供电系统,是因为TT系统在保证了基本的供电稳定性和安全性的基础上,相比于TN-S系统少了一根专用的接地线,在成本上会节省很多。近年来,尤其是2010年以后,我国经济高速发展,有了充足的资金支持,在供电系统安全性上也越来越重视,现阶段某些安全要求较高的工厂、施工临时用电已经在规范中强制要求采用三相五线制接地电源系统TN-S。
接下来,我们就来分析为什么3PN结构的浪涌保护器可以取代4P的浪涌保护器在TN-S系统中使用。在此之前,需要先说明为什么TT系统需要使用3PN结构的浪涌保护器:
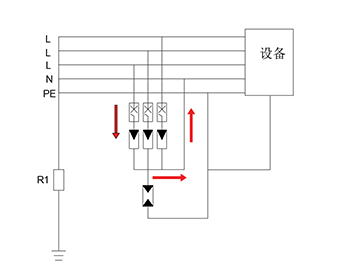
1、TT系统选用3PN浪涌保护器的原因:

如图1所示,当某一相线浪涌故障失效时,由于放电间隙的隔离作用,故障电流会经过N线返回电源而不经过R1和R2,造成金属性短路,该短路不会造成设备产生对地电压,也就不会造成电击事故,所以TT系统采用3PN结构的浪涌保护器。
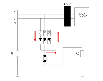
2、TN-S系统采取4P和3PN结构浪涌保护器区别:


图2所示为TN-S系统3PN接法,可以看出,当其中某一相浪涌保护器故障失效时,原理与TT系统一致,这里不做赘述。图3所示为4P接法,因为PE线没有对地电压,与N线相似,所以,当其中某一相浪涌保护器故障失效时,电流经PE线返回电源,但是因为在同一变压器供电范围内,TN-S系统中的PE线多是连通的,当某一相电涌失效,会造成该相接地故障,该故障电压会沿着PE线传导到其他设备,从而威胁到同一变压器供电范围内的其他设备的安全稳定,如果此时系统中某一台设备的等电位连接不良,将会发生设备损坏的现象。
经上所述,在TN-S系统中,可以选用3PN结构形式浪涌保护器,并且比4P结构浪涌保护器保护效果更好。
科比特防雷生产的浪涌保护器,产品结构,型号齐全,可以满足各种供电系统的需要,无续流高耐受,高海拔、恶劣环境使用更稳定。欢迎垂询0731-88273066


标签: